当前所在位置:首页>产品中心>配件>控制器>微动开关适配器

微动开关适配器

所属品牌:阿特拉斯·科普柯Atlas Copco

产品型号:4027501590

阿特拉斯Atlas微动开关适配器折弯式扳手是或将咔嗒声式扭力扳手(BWR-D 型)升级为信号传输扳手的配件。该适配器通过电缆连接到 PLC 系统,可支持批次计数和线路控制发送数输出等控制功能。

  • 商品描述
  • 商品询价热度

阿特拉斯Atlas微动开关适配器



Atlas微动开关适配器

Atlas微动开关适配器特性


模块化解决方案

轻松升级到标准机械式扳手

兼容全新的 BWR-D

兼容 CWR(D 版)

确保可靠的控制和保护

提供更高的安全性


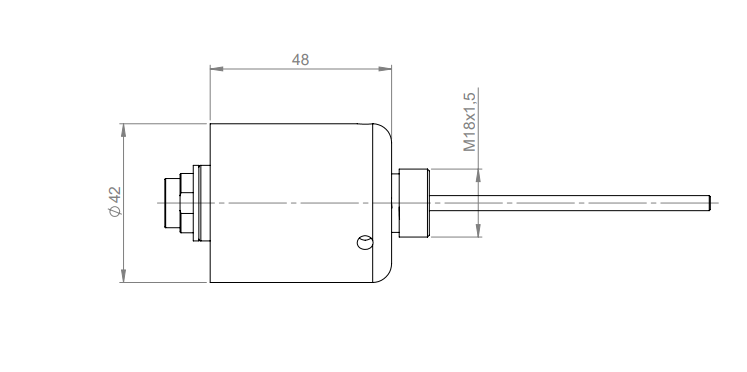
Atlas微动开关适配器结构图.png

Atlas微动开关适配器结构图

今日已有    0013    人询价

发送邮件

商品评价