- 商品描述
- 商品询价热度
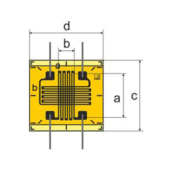
德国HBM XY4带焊盘V 型应变片

HBM XY4带焊盘V 型应变片技术参数
型号 | 额定电阻 | 尺寸 [mm/inch] | 激励电压 | 焊接端子 | 型号 | ||||
测量栅丝 | 基底 | ||||||||
[Ω] | a | b1 | b2 | c | d | ||||
1-XY4x-0.6/120# | 120 | 0.6 | 2.2 0.087 | 1.6 0.063 | 6.5 0.256 | 4.6 0.181 | 1.5 | LS7 | 1 |
| 钢 (1) | 铝 (3) | 奥氏体钢 (5) | 石英玻璃 / 复合材料 (6) | 钛 (7) | 塑料 (8) | 钼 (9) | |||||||||
1-XY4x-1.5/120 | 120 | 1.5 | 1.8 0.071 | 3.1 0.122 | 7.5 0.295 | 4.6 0.181 | 2.5 | LS7 | 1 |
| 钢 (1) | 铝 (3) | 奥氏体钢 (5) | 石英玻璃 / 复合材料 (6) | 钛 (7) | 塑料 (8) | 钼 (9) | |||||||||
1-XY4x-3/120 | 120 | 3 | 3 0.118 | 5.4 0.213 | 11 0.433 | 8 0.315 | 5 | LS7 | 1 |
| 钢 (1) | 铝 (3) | 奥氏体钢 (5) | 石英玻璃 / 复合材料 (6) | 钛 (7) | 塑料 (8) | 钼 (9) | |||||||||
1-XY4x-6/120 | 120 | 6 | 6 0.236 | 10.2 0.402 | 16 0.63 | 12.2 0.48 | 9.5 | LS4 | 1 |
| 钢 (1) | 铝 (3) | 奥氏体钢 (5) | 石英玻璃 / 复合材料 (6) | 钛 (7) | 塑料 (8) | 钼 (9) | |||||||||
1-XY4x-1.5/350# | 350 | 1.5 | 2.1 0.083 | 3.1 0.122 | 7.5 0.295 | 4.5 0.177 | 4 | LS7 | 1 |
| 钢 (1) | 铝 (3) | 奥氏体钢 (5) | 石英玻璃 / 复合材料 (6) | 钛 (7) | 塑料 (8) | 钼 (9) | |||||||||
1-XY4x-3/350 | 350 | 3 | 4.2 0.165 | 5.6 0.22 | 11 0.433 | 8 0.315 | 9.5 | LS7 | 1,3 |
| 钢 (1) | 铝 (3) | 奥氏体钢 (5) | 石英玻璃 / 复合材料 (6) | 钛 (7) | 塑料 (8) | 钼 (9) | |||||||||
1-XY4x-6/350 | 350 | 6 | 6 0.236 | 10 0.394 | 16 0.63 | 12.2 0.48 | 16 | LS4 | 1 |
| 钢 (1) | 铝 (3) | 奥氏体钢 (5) | 石英玻璃 / 复合材料 (6) | 钛 (7) | 塑料 (8) | 钼 (9) | |||||||||
1-XY4x-3/700 | 700 | 3 | 4.2 | 5.6 0.22 | 11 | 8 | 13.5 | LS7 | 1 |
| 钢 (1) | 铝 (3) | 奥氏体钢 (5) | 石英玻璃 / 复合材料 (6) | 钛 (7) | 塑料 (8) | 钼 (9) | |||||||||
1-XY4x-6/700 | 700 | 6 | 6.1 | 9.9 0.39 | 16 | 12.2 | 23 | LS4 | - |
| 钢 (1) | 铝 (3) | 奥氏体钢 (5) | 石英玻璃 / 复合材料 (6) | 钛 (7) | 塑料 (8) | 钼 (9) | |||||||||


线上咨询




