- 商品描述
- 商品询价热度
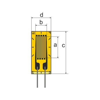
HBM LC6 直片镍铬合金应变片

型号 | 额定电阻 | 尺寸[mm/inch] | 激励电压 | 接线端子 | 推荐类型 | |||
测量栅丝 | 基底 | |||||||
Ω | a | b | c | d | ||||
1-LC6x-3/350 | 350 | 3 | 3.4 | 11 0.433 | 8 0.315 | 9.5 | - | 1 |
1-LC6x-6/350 | 350 | 6 | 3.4 0.134 | 14 0.551 | 8 0.315 | 16 | - | - |

型号 | 额定电阻 | 尺寸[mm/inch] | 激励电压 | 接线端子 | 推荐类型 | |||
测量栅丝 | 基底 | |||||||
Ω | a | b | c | d | ||||
1-LC6x-3/350 | 350 | 3 | 3.4 | 11 0.433 | 8 0.315 | 9.5 | - | 1 |
1-LC6x-6/350 | 350 | 6 | 3.4 0.134 | 14 0.551 | 8 0.315 | 16 | - | - |

